Le Hacheur 4Q

Présentation ››
Parent Previous Next


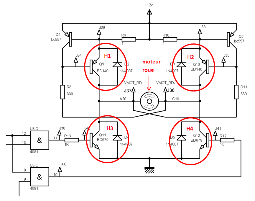
Le Hacheur 4 quadrants




La valeur moyenne de v est :


  = ( 2 α - 1 ).U        avec   0 < α < 1




La tension continue variable v permet de faire varier la vitesse d'un moteur à courant continu

dans les 2 sens de rotation.


Exemple :  aspirateur Roomba alimenté par une batterie



Schéma interne :



Allez à l'activité 5:  ici



Créé avec HelpNDoc Personal Edition: Environnement de création d'aide complet